LDE一体式电磁流量计
电磁流量计是基于法拉第电磁感应定律工作的,用来测量电导率大于5μS/cm导电液体的体积流量,是一种测量导电介质体积流量的感应式仪表。除可测量一般导电液体的体积流量外,还可用于测量强酸强碱等强腐蚀液体和泥浆、矿浆、纸浆等均匀的液固两相悬浮液体的体积流量。
广泛应用于石油、化工、冶金、轻纺、造纸、环保、食品等工业部门及市政管理,水利建设、河流疏浚等领域的流量计量。
智能电磁流量计是我公司采用先进技术研制,开发与生产的液体流量测量仪表,具有高精度、高可靠性与使用寿命长等优点,为确保产品质量我公司在设计产品结构、选材、制定工艺,生产装配与出厂测试等过程中,对每个环节细致研究与控制,并配套完整的流量标定检测系统。 产品执行标准:JB/T-9428-1999。 |
★低频三值矩形波恒流励磁,不受工频及现场各种杂散干扰的影响,性能稳定可靠。 ★采用非均匀磁场的新技术及特殊磁路结构,磁场稳定可靠,且缩小了体积,减轻了重量, 使流量计具有小型轻量化的特点。 ★具有空管自动检测与电路处理功能。 ★可根据用户实际需求现场在线修改量程。 ★测量管内无阻流件,因此无附加压力损失。 ★测量结果与液体的压力、温度、密度、粘度、电导率(不小于最低电导率)等物理参数无关。 ★直管段相对要示求较短。 ★使用方便,安装后只需接上电源, 不需其它任何操作,即可输出标准信号,便于非专业人员 |
二、技术参数 | |
衬里及公称通径DN | 橡胶衬里 DN40~DN2200 |
DN(mm) | 四氟衬里 DN10~DN2200 |
形式 | 管段一体式 |
测量精度 | ±0.5%、±1.0% |
被测介质温度 | 氯橡胶衬里:-20℃~+65℃ 聚氯脂橡胶:-20℃~80℃ |
聚四氟乙烯:-30℃~+180℃ 聚丙烯:-20℃~100℃ | |
额定压力 | DN10~DN80:4.0MPa DN100~DN150:1.6MPa |
DN200~DN1000:1.0MP DN1200~DN2000:0.6 | |
流速范围 | 0.3~12m/s |
电导率 | 被测流体导率不小于 |
输出信号及负载电阻 | 4~20mA,0~1000Ω |
输出频率上限 | 1~5000Hz设定4~20mADC,0~500Ω具有防雷击保护 |
供电电源 | 220VAC±10%,50Hz±5%、24VDC直流供电 |
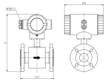
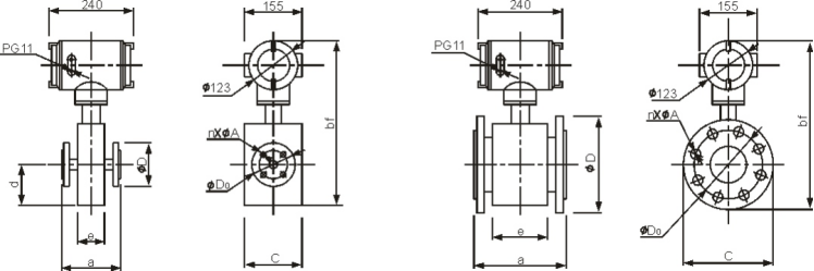
连接方式 | 管道法兰连接,符合标准:GB9119-88 |
防护等级 | 标准IP65、IP67、可选IP68 |
直管段长度 | 上游≥10DN,下游≥5DN |
串行通讯 | 可选RS232C或RS485脉冲输出上限5000CP/S |
电极材料 | 含不锈钢(M02Ti)、钛(Ti)、钽(Ta)、哈氏合金(HB)、铂(Pt) |


规格 | L (mm) | H (mm) |
DN15 | 200 | 285 |
DN20 | 200 | 290 |
DN25 | 200 | 300 |
DN32 | 200 | 318 |
DN40 | 200 | 330 |
DN50 | 200 | 343 |
DN65 | 200 | 359 |
DN80 | 200 | 378 |
DN100 | 250 | 398 |
DN125 | 250 | 432 |
DN150 | 300 | 460 |
DN200 | 350 | 530 |
DN250 | 400 | 583 |
DN300 | 500 | 633 |
DN350 | 500 | 685 |
DN400 | 600 | 743 |
DN450 | 600 | 792 |
DN500 | 600 | 840 |
DN600 | 600 | 946 |
DN700 | 700 | 1035 |
DN800 | 800 | 1144 |
DN900 | 900 | 1244 |
DN1000 | 1000 | 1345 |
DN1200 | 1200 | 1562 |
DN1400 | 1400 | 1775 |
DN1600 | 1600 | 1975 |
口径mm | 流量范围m³/h | 口径mm | 流量范围m³/h |
φ15 | 0.06~6.36 | φ450 | 57.23~5722.65 |
φ20 | 0.11~11.3 | φ500 | 70.65~7065.00 |
φ25 | 0.18~17.66 | φ600 | 101.74~10173.6 |
φ40 | 0.45~45.22 | φ700 | 138.47~13847.4 |
φ50 | 0.71~70.65 | φ800 | 180.86~18086.4 |
φ65 | 1.19~119.4 | φ900 | 228.91~22890.6 |
φ80 | 1.81~180.86 | φ1000 | 406.94~40694.4 |
φ100 | 2.83~282.60 | φ1200 | 553.90~55389.6 |
φ150 | 6.36~635.85 | φ1600 | 723.46~72345.6 |
φ200 | 11.3~1130.4 | φ1800 | 915.62~91562.4 |
φ250 | 17.66~176.25. | φ2000 | 1130.4~113040.00 |
φ300 | 25.43~2543.40 | φ2200 | 1367.78~136778.4 |
φ350 | 34.62~3461.85 | φ2400 | 1627.78~162777.6 |
φ400 | 45.22~4521.6 | φ2600 | 1910.38~191037.6 |
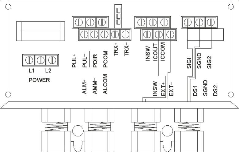
6.1 传感器与转换器接线 6.2 一体化圆表头接线与标示

一体化电磁流量计转换器与传感器连接 分体式电磁流量计转换器与传感器连接
圆表各接线端子标示含义如下:
I+:流量电流输出 AH:上限报警输出
COM:电流输出地 COM:报警输出地
P+:双向流量频率(脉冲)输出 FUSE:输入电源保险丝
COM:频率(脉冲)输出地 L1:220V(24V)电源输入
分体表头接线端子图


