单法兰差压变送器
单法兰差压变送器及远传差压变送器是差压变送器中的新产品。广泛用于石油、化工、冶金、电力、轻工、建材、科研等企事业单位
单法兰差压变送器及远传差压变送器是差压变送器中的新产品。广泛用于石油、化工、冶金、电力、轻工、建材、科研等企事业单位,实现对各种流体压力的测量,配用节流装置可检测液体、汽体和蒸汽,以及粘性、沉淀性或易产生结晶颗粒的流体的流量,也可以检测差压,表压和分界面,还可以检测开口容器或受压容器内液体的液位。
主要特点:
① 体积小、重量轻。因为它零部件少,结构简单,而且差压、位移
电容信号的变换连接在一起,大大压缩了体积,减小了重量。
② 精度高。由于无机械传动和磨擦,而且电容值相对变化量较大,所以精度容易做得高。
③ 可靠性好。由于可动件少,测量部件为全封闭焊接的固体结构,电子元器件经过严格的老化筛选,并采用特珠的接插体,从而大大提高了变送器的可靠性。
④ 量程可调范围大,而且带有正、负迁移结构。量程可调范围大于6:1,量程零点外部连接可调。
⑤ 过载性能好。传感器内部采用了结构简单、性能可靠的凹弧面过载保护结构。
工作原理
介质压力通过隔离膜片和硅油传递给位于δ室中心的测量膜片,测量膜片是一张紧的弹性元件,随它两边的压力差产生相应位移,测量膜片的位移与差压成正比,最大位移0.1mm,由它两侧的电容板检测,再用电子线路把测量膜片和电容极板之间的差动电容转换为二线制(4~20)mADC输出信号。


主要技术参数
名称 | WTS3051DP型 单法兰差压变送器 |
适用场合 | 液体、气体、蒸汽 |
测量范围 | -0.1-10Mpa |
精度等级 | 0.2%、0.1%、0.5% 0.075(单晶硅式) |
供电电压 | 24V DC |
输出信号 | 4-20mA、HART |
环境温度 | -20~55℃ |
相对湿度 | 5%~90% |
膜片材质 | 316L、哈氏合金,钽,蒙乃尔 |
防护等级 | IP65 |
液位测量
用来测量液位的差压变送器,实际上是测量液柱的静压头。这个压力由液位的高低和液体的比重所决定,其大小等于取压口上方的液面高度乘以液体重,而与容器的体积或形状无关。
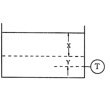
10-1开口容器的液位测量
测量开口容器液位时,变送器装在靠近容器的底部,以便测量其上方液面高度所对应的压力。如图1-3所示。
容器液位的压力,连接变送器的高压侧,而低压侧通大气。
如果被测液位变化范围的最低液位在变送器安装处的上方,则变送器必须进行正迁移。举例:设X为被测的最低和最高液位之间的垂直距离,X=3175mm。
Y为变送器取压口到最低液位的垂直距离,Y=635mm。
Υ为液体的比重,Υ=1。
h为液柱X所产生的最大压力,单位为KPa。
e为液柱Y所产生的压力,单位为KPa。
1mm(H2O)=9.80665Pa(以下同)
测量范围从e至e+h
所以:h=X·Υ=3175×1=3175mm(H2O)=31.14KPa
e=Y·Υ=635×1=635mm(H2O)=6.23KPa
即变送器的测量范围为 :6.23KPa~37.37KPa

密闭容器的液位测量
在密闭容器中,液体上面容器的压力影响容器底部被测的压力。因此,容器底部的压力等于液面高度乘以液体的比重再加上密闭容器的压力。
为了测得真正的液位,应从测得的容器底部压力中减去容器的压力。为此,在容器的顶部开一个取压口,并将它接到变送器的低压侧,这样容器中的压力就同时作用于变送器的高低压侧。结果所得到的差压就正比于液面高度和液体的比重的乘积了。
1)干导压连接
如果液体上面的气体不冷凝,变送器低压侧的连接管就保持干的,这种情况称为干导压连接。决定变送器测量范围的方法与开口容器液位的方法相同(见图1-3)。
2)湿导压连接
如果液体上面的气体出现冷凝,变送器低压侧的导压管里会渐渐地积存液体,就会引起测量的误差。为了消除这种误差,预先用某种液体灌充在变送器的低压侧导压管中,这种情况称为湿导压连接。
上述情况,使变送器的低压侧存在一个压力,所以必须进行负迁移(见图1-4)。湿导管连接举例:
设X为最低和最高液位之间的垂直距离,X=2450mm。
Y为最低液位到变送器基准线之间的距离,Y=635mm。
Z为充液导压管顶端到变送器基准线之间的距离,Z=3800mm。
r1为被测液体的比重,r1=1。
r2为低压侧导管填充的比重,r2=1。
h为被测液柱X所产生的最大压力,单位为KPa。
e为被测液柱Y所产生的压力,单位为KPa。
s为填充液柱Z所产生的压力,单位为KPa。
测量范围从(e-s)至(h+e-s),则
h=X·r1=2540×1=2540mm(H2O)=24.91KPa
e=Y·r1=635×1=636mm(H2O)=6.23KPa
s=Z·r2=3800×1=3800mm(H2O)=37.28KPa
所以:e-s=6.23-37.28=-31.05KPa
h+e-s=24.91+6.23-37.28=-6.14KPa
因此变送器的测量范围为:-31.05KPa~-6.14KPa

电容式液位和带毛细管远传法兰变送器的安装和使用
电容式远传差压/压力变送器安装时,应考虑远传法兰和变送器两者的应用和安装,以保证最佳的性能。
(1)细管长度越短越好。
(2)带一个远传法兰的变送器安装时应使变送器低于法兰及流程接头或保持同一水平,带两个远传法兰并安装在不同高度的变送器,如测量一槽的液位,应安装在两法兰/流程接头之间的中点或中点以下。变送器与法兰的安装位置图见3-1
(3)安装远传法兰和毛细管应避免阳光的直射;
(4)如带两个远传法兰使两者的毛细管长度相等;
(5)对变送器进行季节性的再调零位。

变送器与法兰安装位置 不带迁移的液位测量
液位变送器在使用中要注意,对于一般粘性的介质用平法兰液位变送器;对于粘性大、易沉淀和悬浮液的介质要用插入法兰液位变送器,且安装时测量膜片必须深入容器内壁内部,至少和容器内壁相切。
不带迁移和液位测量
仪表安装在最低液位的同一水平高度上。测量开口容器时,仪表负压室通大气。测量密封容器时容器上部通负压室(此时负压室能保持干燥,则可不装冷凝罐),并定期将罐中的冷凝液排出;排液时应将常开阀关闭,以免变送器承受单向压力
